Skip to main content Skip to search Skip to main navigation
WELCOME TO OUR ONLINE SHOP

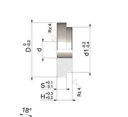
HSB 013 Guide bolt without collar, for ball guiding unit

Product information "HSB 013"

Material: 1.7139|ca. 700 HV

0 of 0 reviews

Average rating of 0 out of 5 stars

Leave a review!

Share your experiences with other customers.